发布日期:2022-10-09 浏览次数: 63
由于技术的改进、、低碳排放要求和政府的政策激励,,,电动汽车(EV)是汽车行业一个快速增长的部分。。目前,,电动汽车行业正在进行一场技术变革,,通过充电基础设施提高汽车续航里程。。。。电动汽车制造商和充电服务企业正在大力投资充电站基础设施,,以支持长续航能力电动汽车和改善电动汽车司机的充电体验。。政府激励措施和汽车制造商在充电基础设施建设方面的举措是推动全球电动汽车充电站市场增长的关键因素。。根据仔细的市场研究报告,,,预计到2027年,,市场规模将达到300亿美元左右,,2019年复合年增长率为36%。。。3级直流充电站细分市场占整个电动汽车充电站市场的最大份额,,,在预测期内亚太地区将占据近50%的市场份额。。。这一细分市场的很大一部分,,,主要是由于在便利的城市商业场所建立充电基础设施的需求不断上升。。昂贵的商业地产促使投资者和开发商压缩充电器的体积,,,提高充电能力。。这就导致了高密度充电器桩模块的需求不断增加。。为了实现高密度设计,,,,功率转换器需要在较高的开关频率和同等或更好的效率下工作。。。。
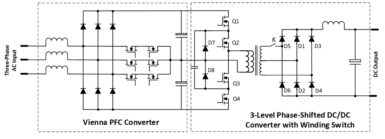
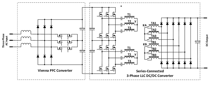
目前,,充电桩模块的最新设计和批量生产几乎所有使用650V Si MOSFET,,以获得良好的功率密度和效率。。。对于功率超过6kW的设计,,,三相输入成为必要。。。。由于中间母线电压超过650V器件额定要求,,,,三电平拓扑或串连转换器是设计的唯一选择。。。。图1和图2是两种常用的隔离充电器桩拓扑结构。。。。

图1 使用维也纳PFC和三电平移相全桥DC/DC变换器的充电桩

图2 使用维也纳PFC和串连三相LLC DC/DC变换器的充电器桩
如果一个充电站有一个本地隔离电力变压器,,,,非隔离变换器拓扑可以使用。。图3为非隔离拓扑,,,已用于欧盟350kW超高速充电站设计。。。。每个充电桩由6个60kW完全基于SiC器件的功率转换器模块组成。。

图3 非隔离充电器使用维也纳PFC和串连的Buck DC/DC变换器
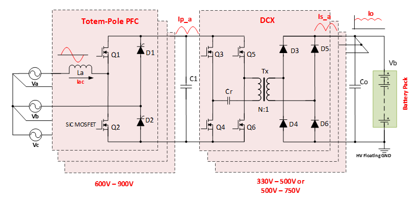
对于隔离的充电器桩设计,,,,SiC MOSFETs的高电压和高频能力可以大大简化拓扑和控制难度。。。直接效益是提高功率密度和降低系统成本。。。通过使用1200V的SiC MOSFETs, PFC的输出电压可以达到600V到900V。。。。下游隔离型直流/直流变换器具有可控的倍压输出和可切换的变压器绕组,,,可以在理想的直流变压器(DCX)模式下工作,,,,以优化系统效率。。由于DCX输出直接连接到电池组,,,,它的输入等效为一个电压源,,,这使它有可能减少甚至消除PFC输出批量电容器。。。。新电源架构的功能模块如图4所示。。。

图4 新型AC/DC电源结构,,,,用于电池充电
基于此电源架构,,图5所示的拓扑结构可用于宽输出电压恒功率电池充电。。。。开关K用于选择变压器匝数比,,使倍压器扩大输出电压范围。。图6给出了PFC输出电压与电池电压的关系。。。

图5 高密度电源结构用于电池充电

图6 直流变压器增益开关
以下是三相PFC和DCX样机照片。。。。电路仍在优化中。。。我们欢迎任何有兴趣的团体加入这个开发,,,,并把它变成一个真正的产品。。

图7(a)20Kw 三相 PFC AC/DC 变换器样机

图7(b)20Kw 三相 LLC DC/DC 变换器样机
由于技术的改进、、、、低碳排放趋势和政府的政策激励,,,电动汽车(EV)是汽车行业一个快速增长的部分。。根据市场与市场报告,,,预计到2030年,,,电动汽车市场将达到2690万辆,,,,复合年增长率为21.1%。。。预计亚太市场增长最快,,其次是欧洲和北美。。。。不同国家或地区的汽车工业发展倾向于不同的电动汽车。。。。日本更注重混合动力和燃料电池电动汽车的发展,,,,而其他国家则更倾向于纯电动汽车。。。最受欢迎的电动汽车是纯电池电动汽车(EVs)、、插电式混合动力汽车(PHEVs)和燃料电池电动汽车(FCEVs)。。。。它们的功能块如下图所示。。

图1 纯电动汽车电源框图

图2插电式混合动力汽车电源框图

图3 燃料电池电动汽车动力框图
这些类型的电动汽车是为满足某些需求而开发的。。纯电池电动车非常适合短到中程的常规交通。。。。里程限制、、、、充电站可用性和充电时间仍是制约其出行半径的因素。。。插电式混合动力汽车在提高燃油效率和减少二氧化碳排放的同时不受里程限制,,,,但由于其油电双动力结构,,使得PHEV结构一般比较复杂,,,制造成本也较高。。。。在低成本高能量密度电池问世和充电站像今天的加油站一样普及之前,,混合动力汽车是一种中间解决方案。。。对于重型车辆,,如公共汽车和卡车,,,,燃料电池电动车显示出其高能量密度和轻重量的优势。。。
为了提高电动汽车的功率转换效率,,,,减少充电时间,,,新型电动汽车的设计正在将母线电压从500V升级到800V。。。先进的宽禁带半导体SiC在新一轮电动汽车发展中发挥着重要作用。。。 SiC MOSFETs的开关速度比IGBTs快10倍,,在175°C结温下工作时性能不会下降,,,开关损耗减少60%以上。。除了提高功率转换效率和减小变换器的物理尺寸,,,,SIC技术还通过采用双向功率转换拓扑实现了电动汽车的车到网(V2G)功能。。。在夜间储存未使用的电力,,,,并在用电高峰时段向电网放电,,,,为车主增加价值,,,有利于电网稳定。。。。
车载充电机(OBC)
车载充电机(OBC)是安装在汽车内部的AC/DC变换器,,,可以方便地从家里的电源插座进行低功率充电。。。。功率范围从3kW到20kW以上。。。。由于家庭电源插座的功率限制,,普通电动汽车OBC的功率通常低于6kW,,,,但一些高端汽车,,如特斯拉Model-3,,为拥有三相电源插座的客户提供了更高的OBC充电电源选项。。。。商用巴士通常有更大的电池容量,,,需要超过10千瓦的充电功率。。以下是已知的OBC设计中使用的拓扑。。

图4 双向OBC电路图(≤6kW)
双向OBC采用交错图腾柱PFC和CLLC拓扑。。采用SiC MOSFETs的图腾柱PFC是一种双向AC/DC和DC/AC变换器,,,,使用SiC MOSFETs进行二次侧整流的CLLC也是一种双向变换器。。双向OBC能够为电池组充电,,,,并将电池的能量提供给交流电网。。如果不需要双向功能,,,,PFC的Si MOSFETs和CLLC的二次侧SiC MOSFETs可以用二极管代替。。
门驱动电路一直是设计中需要考虑的问题。。。。简单可靠的门驱动器是首选。。IVCR1401是第一个工业8脚SiC MOSFET驱动器,,,它集成了负偏压和Desat保护。。。它也是目前唯一可用自举电路而且集成负Bais的驱动电路。。。这一特性大大简化了栅级驱动电路。。它特别适用于占空比始终保持相对稳定的LLC和移相全桥拓扑。。。。

图5 具有线-线输入和三相输入选项的大功率OBC
DC/DC转换器
所有车辆都有12V电池(一些重型车辆使用24V电池)。。12V电池为所有娱乐设备、、、、椅子、、、窗户、、、、雨刷电机和除霜加热器等提供动力。。电动汽车和混合动力汽车已经没有充电发电机了。。12V电池依靠电动汽车的高压母线进行充电。。。移相全桥和LLC拓扑是DC/DC变换器设计中常用的拓扑结构。。。。功率等级在1到3千瓦之间。。由于副边输出是12V,,,同步MOSFET整流可以达到99%的效率。。。这使得整个设计很可能能装在一个小铝盒内,,而无需使用任何强制冷却。。。。对于800V总线,,,SiC MOSFETs是当前最合适的高频器件。。。。值得注意的是,,,,在电动汽车内部,,,电池组和牵引逆变器输入电容组之间通常有一个安全继电器连接。。。。当车辆处于关闭状态时,,,,继电器处于打开状态。。。为了启动车辆,,,在继电器闭合之前,,电容器组需要充电到与电池组相同的电压,,以避免冲击电流。。。。为了达到这个目的,,DC/DC变换器有时以双向模式工作。。。

图6 用于12V电池充电LLC DC/DC变换器
为了降低成本和尺寸,,,一些设计将DC/DC变换器与OBC电路结合,,,如下图所示。。。。在OBC模式下,,,开关K将大功率DC/DC输出的同步MOSFET整流电路连接到主变压器。。。在12V电池充电模式下,,开关K将整流电路的四个同步MOSFETs连接到12V电池充电器电路,,这四个MOSFETs作为LLC主开关,,将高压电池组的电源转换到12V电池。。。。

图7 OBC -DC/DC组合电路图
网友评论
评论发表